想要投身音频开发领域或者对音频行业有所探索?这里正是你的理想之地。这里不仅能满足那些希望转行学习的同学们的求知需求,对于那些想要深入了解行业的人来说,这里更是一个宝贵的资源库。
转行音频开发的契机
现今众多行业都在经历变革,传统行业面临激烈竞争。近年来,科技进步迅猛,但音频开发领域人才较为稀缺。对于从业者而言,若能成功转型至音频开发,便等同于抓住了新的职业机遇。对于那些在原有行业遇到发展阻碍的人,音频开发领域仿佛带来了新的希望。有意转行的朋友们需明白,虽然挑战不少,但机遇同样丰富,切莫错过这条新的职业路径。音频开发领域前景广阔,尤其在人工智能等新技术不断融入的背景下。
音频领域具有发展潜力,在国内众多一线城市,该行业已建立起较为成熟的产业体系。投身其中,将发现众多机遇。
音频行业岗位情况概述
岗位类型众多,音频行业中的职位尤为丰富。特别是嵌入式音频职位,越来越受到企业的高度关注,例如我们刚才提到的音频驱动工程师职位。根据企业招聘数据,这类岗位的需求逐年上升。企业之所以重视这些岗位,是因为现代各种智能设备都依赖音频技术。比如手机、智能音箱等,它们需要音频驱动工程师确保音频功能的正常运作。
企业在寻找嵌入式音频工程师时,常常会提出一些特定条件。比如,他们会希望候选人能对Linux系统有充分的了解,因为不少设备的音频系统都是基于Linux平台搭建的。Linux系统在硬件抽象化方面表现出的强大能力,使得音频开发工作变得更加高效。然而,这也对工程师的学习能力提出了更高的挑战。
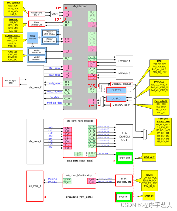
嵌入式音频岗位知识点学习之一
Linux音频驱动开发的关键在于对LinuxALSA的精通。以某手机制造商为例,其音频驱动工程师职位要求中特别强调了这一点。LinuxALSA之所以在市场上应用广泛,是因为它能够兼容多种音频驱动,包括与TI相关的音频驱动。在具体的项目中,音频播放是基本功能,然而这一基础功能却遭遇了不少挑战。例如,在项目初期,硬件电路设计的问题经常导致音频编解码器无法正常运作,解决这些问题需要工程师对LinuxALSA的运作机制有深入的理解。
还需全面了解音频的各个细节,比如音频参数的调整与处理,这些对于确保音频质量极为关键。而且,不同项目和设备在设置上各有不同,工程师需累积丰富经验。
在嵌入式音频领域,Qcom和MTK平台是必须重点了解的。这两家公司在全球芯片市场中占有显著地位。它们之所以备受瞩目,是因为它们是手机芯片的主要供应商。这些芯片内部音频通路结构复杂,大部分处理逻辑都集中在AudioHAL层面。对于有相关经验的人来说,在音频适配工作中会感到更加得心应手。
在Audio适配初期,掌握硬件知识至关重要。必须掌握如I2S、PCM、TDM、PDM等常见数字接口,以及I2C、SPI等通信接口。这就像组装产品时了解各个部件一样,缺乏这种基础认知,构建完整系统将变得困难。以开发新产品为例,嵌入式音频工程师需适配新的音频驱动,而这其中的硬件知识正是基础。
适应市场变化的要求
市场并非固定不变,这一点在音频设备开发领域同样适用。在当下社会,市场发展迅猛,对音频设备的功能特性要求也在持续演变。以低功耗音频设备为例,若继续采用通用的SOC,便难以同时满足计算能力和低功耗的双重需求。这种特殊需求促使了新型开发工具和技术的诞生,就好比专为音频设计的一套工具箱。
这些工具箱有助于提升工作效率。例如,在初期调研阶段,它们可能只需几行代码就能完成音频数据的读取和直观展示。相较之下,若用传统的C语言来完成这项任务,则会遇到更多困难,效率也会较低。因此,从业者需要紧跟市场需求,不断进行创新。
构建行业知识框架的重要性
在音频领域,建立一个全面的知识体系至关重要。只有对从基础到高级的所有相关知识点进行详尽梳理,才能筑牢根基。以知乎上的行业解答为例,这些内容多由该领域的顶尖人士提供,内容丰富,涵盖了学习路径。这些学习路径对行业新手而言,就像是一本指引方向的指南。对于行业内的从业者来说,也是完善知识、填补空白的宝贵资源。
了解音频领域、投身音频开发并非易事,然而,这却是一条充满希望与机遇的道路。亲爱的朋友,你自认为已经准备好迎接这一挑战了吗?欢迎在评论区留言、点赞并转发这篇文章。












