电机设计领域里,精确的仿真分析结果备受关注。为了达到这一目标,通常需要将电机与控制系统结合,运用矢量控制算法进行联合仿真。这一过程中,包含了许多既复杂又引人入胜的内容。
电机矢量控制算法概述
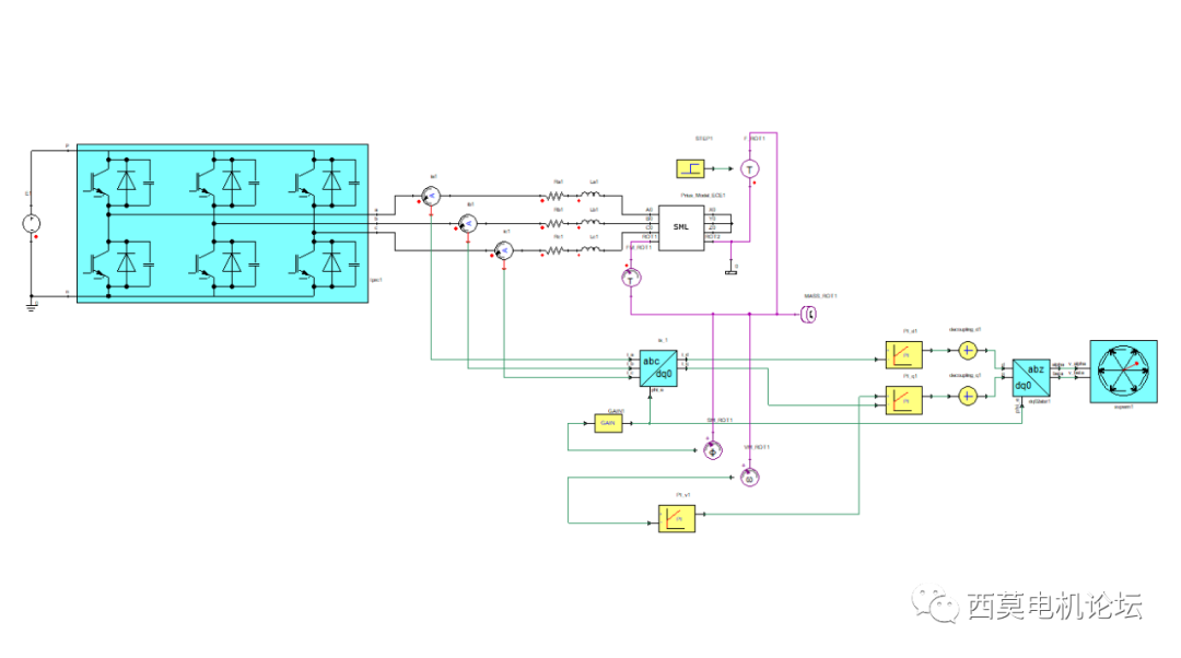
矢量控制,又称磁场定向控制,是针对永磁同步电机的一种高效控制手段。比如在电机研发领域,人们常常采用坐标变换来模拟直流电机的控制模式,以此实现对永磁同步电机的精确控制。这一过程涉及构建基于Clark、Park变换和SVPWM空间矢量变换等步骤的矢量控制系统电路,该电路具有独特的结构特性。在工程实践中,矢量控制算法已被广泛应用于众多电机设备的控制环节,旨在提升电机的运行效率和稳定性。此外,矢量控制算法还需充分考虑不同变换间的协同作用,以确保其在电机控制中的有效运用。
Ansys在电机降阶模型抽取的作用
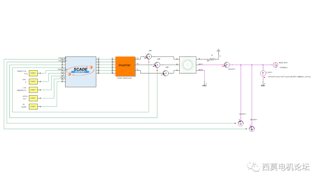
在电机降阶模型抽取这一过程中,Ansys扮演着关键角色。它能够协助实现电机的降阶模型抽取。举例来说,通过电机有限元分析的结果进行降阶,可以得到基于有限元计算数据的等效抽取结果。在控制系统联合仿真中,只需查阅这个数据表,便可以快速获取电机性能。从实际操作时间的角度分析,这一功能显著提升了操作效率,同时确保了精度不受影响。在众多需要快速获取电机性能的场合,这一功能尤为实用,使得开发者能够更迅速地完成电机控制系统的设计与优化。
永磁同步电机矢量控制系统的构建
永磁同步电机矢量控制系统结构复杂。它采用电流环和速度环的双闭环控制方式。像逆变桥这样的模块可以直接从库中调用,这让工程师搭建系统变得简便。在构建过程中,模块间的协同作用至关重要。以一个具体的永磁同步电机项目为例,工程师们依据精确的电机参数,对各个模块进行组合和调试。这样,系统能够稳定地按照既定的控制逻辑运行,实现了对永磁同步电机的有效控制,并能满足不同工作场景的需求。
电机MTPA控制时的电流环情况
电机在使用MTPA控制时,情况会有所不同。电流环中的d轴回路不再进行固定值控制。两轴电流的分配需根据速度环控制器输出的电流指令来决定。在电机运行的实际测试中,这种依据速度环反馈来调整电流分配的方法,能有效提升电机的运行性能。在不同速度需求下,电流分配更为合理,进而提高了电机的效率,减少了能耗。这一点在节能型电机产品的开发中,是一个至关重要的设计要素。
Ansys针对开关电源的仿真解决方案
Ansys的仿真方案在开关电源领域非常宝贵。它能进行磁性部件的性能仿真,还能仿真电源电路系统的性能。对于开关电源电路的具体设计工作,这能帮助工程师更好地了解磁性器件的性能,并对其进行优化。例如,在高端电子设备的开关电源开发项目中,运用Ansys软件可以精确评估开关电源的性能。同时,它还能对可能出现的EMI噪声进行提前仿真,确保在设计阶段就能避免干扰问题。
电机驱动系统传导干扰分析
电机驱动系统传导干扰分析是至关重要的。我们可以将有限元仿真的高精度部件模型整合,以此实现电机驱动系统的仿真。接着,通过引入符合相应标准的LISN网络模型,我们可以对电机驱动系统进行传导EMI仿真。这一做法在实际的电机产品开发中,有助于确保电机驱动系统满足电磁兼容性标准,有效避免电机运行时对其他设备产生电磁干扰。
那么,问题来了。你感觉这些技术在不同规模的电机生产企业推广时,会遇到哪些困难?期待大家的点赞、分享,还有踊跃的评论。













